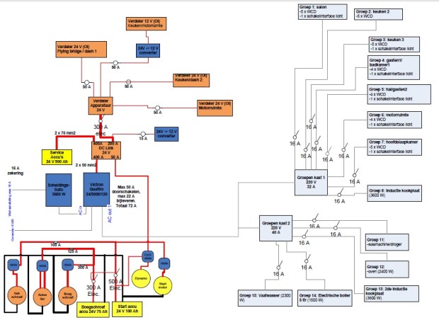
Voor de electriciteit van ons motorjacht Xanthiona, had ik in eerste instantie bedacht om een Victron Quattro van 8000 W op te nemen, die gekoppeld aan een accubank van 1000 Ah, genoeg electriciteit moest leveren. Later bedacht ik dat als dit ene apparaat stuk is, dat er dan geen huishoudelijke apparatuur (koelkast, toilet, doucheafvoer, etc.) meer werkt want dat is allemaal 230 V apparatuur. In een vorig bericht over de electrische installatie dacht ik een oplossing gevonden te hebben voor het geval de Quattro stuk zou gaan door redundantie in te bouwen door 2 x een Victron Mulitplus omvormer/lader op te nemen in het systeem in plaats van 1 Quattro. Door toeval kon ik aan een geschikte Multiplus van 3000 W komen en het idee was om er later nog 1 van 5000 W bij te plaatsen, zodat ik weer aan de oorspronkelijk 8000 W totaal kom die ik dacht nodig te hebben.
Maar de combinatie van een 3000 en 5000 samen gaat niet werken. Ten eerste schrijft de fabrikant voor dat alleen 2 apparaten van hetzelfde type en sterkte paralel mogen worden geinstalleerd. Dus of 2 x 3000 W of 2 x 5000 W. Ten tweede verloor ik uit het oog dat ik 2 groepen van electrische gebruikers heb gemaakt. Groep 1 met alle lichte gebruikers (licht, wc, douchepomp, waterdruk, 2 pitsinductieplaat, espresso-apparaat). Deze groep moet altijd beschikbaar zijn, ook tijdens het varen. Dan wordt de stroom dus door de Multiplus vanuit de grote accubank omgezet naar 230 V. Tijdens het varen wordt de accubank via de paralel schakeling van het Cyrix relais (als de startaccu weer vol is) weer bijgeladen. Terug in de haven zorgt de walstroom er voor dat de accu’s verder worden bijgeladen. Voor anker wordt de generator gestart en niet gebruikte stroom gaat dan ook naar de accu’s.
Groep 2 heeft de zware gebruikers: oven, vaatwasser, wasmachine/droger combinatie, 2de 2 pits inductieplaat en magnetron. Deze groep moet worden uitgeschakeld als er geen walstroom is of als er geen generator draait, omdat ze anders de service accu leeg trekken. De totale hoeveelheid stroom voor deze groep varieert, want niet alle apparaten staan tegelijkertijd aan. Deels berekend en deels geschat zou op piek momenten in de avonduren er ca. 40- 50 A nodig zijn. De Multiplus en Quattro omvormer/lader hebben beide een 2de 230 V uitgang die wordt afgeschakeld als er geen walstroom of generator is. Logisch om de zware groep dus hier op aan te sluiten. Echter deze 2de uitgang levert voor een 5000 W Multiplus of Quattro slechts 25 A. Die 25 A is niet genoeg voor de zware gebruikers.
Het aardige van de Multiplus en Quattro is dat ze een PowerAssist functie hebben. Als je bijvoorbeeld een 16 A walaansluiting hebt, maar je gebruikt (tijdelijk) 30 A, dan wordt er 14 A bijgeleverd via de Multiplus of Quattro vanuit de accubank. Later als er minder stroom nodig is, wordt de rest stroom gebruikt om de accu’s weer bij te laden. Deze functionaliteit is echter verbonden aan de 1e 230 V uitgang van het apparaat. De PowerAssist heeft in het geval de zware gebruikers op de 2de 230 V uitgang zijn aangesloten geen nut. De lichte gebruikers die op de 1e 230 V uitgang zijn aangesloten hebben de PowerAssist functie waarschijnlijk niet nodig omdat ze samen te weinig stroom gebruiken.
Met de splitsing tussen lichte en zware gebruikers heeft in mijn geval de PowerAssist dus eigenlijk geen toegevoegde waarde. Om de PowerAssist wel te gebruiken moeten beide groepen op deze 1e 230 V uitgang worden aangesloten. Om nu te voorkomen dat tijdens het varen (geen walstroom en geen generator) de accu’s onnodig worden leeg getrokken, kan ik bijvoorbeeld de hoofdschakelaar op de 2de groepenkast met zware gebruikers, uitzetten tijdens het varen.
Door de PowerAssist is het mogelijk om een lichtere generator te nemen, immers als er meer stroom nodig is dan de generator kan leveren, wordt er uit de accu’s bijgeleverd en later als er minder stroom wordt verbruikt, wordt via de Multiplus of Quattro de accu’s weer bijgeladen. Een voordeel van een Quattro is dat deze een interne omschakelautomaat heeft voor de walaansluiting en de generator die je er direkt op aan sluit. Voor het aansluiten van een generator op een Multiplus heb je een seperate omschakelkastje nodig of je moet handmatig wisselen tussen de walaansluiting en de generator. Inmiddels heb ik besloten om terug te gaan naar het oorspronkelijke idee, namelijk 1 Quattro en een zware accubank. De redundantie die ik zocht ga ik oplossen door de gekochte Multiplus in de kast te zetten als reserve.
Het wordt dus een Quattro van maar 5000 W in combinatie met een in de toekomst aan te schaffen generator van ca. 6000 W. Dat is genoeg om tijdens piekgebruik in combinatie met de stroom uit de accu’s genoeg te leveren ook als er een aantal zware gebruikers aan staan. De bedoeling van de generator is dat deze automatisch aanspringt als er teveel stroom vanuit de accu’s wordt gevraagd. De generator blijft dan een tijd draaien en zal automatisch uitschakelen als de accu’s weer voldoende geladen zijn en er geen zware gebruikers meer aan staan.
Het meer gedetailleerde schema is als volgt:



