Digitale stroom aan boord van motorjacht Xanthiona? Met Czone van BEP Marine (www.bepmarine.com ) is het mogelijk om een sterke vereenvoudiging aan te brengen van het 24 V boordnet, waarbij vanaf elke willekeurige plek via het NMEA2000 netwerk elk willekeurig apparaat is te bedienen en meters zijn uit te lezen.
Deze vorm van ‘digitale’stroom had ik al eens eerder bestudeerd, maar vond het tot nu toe te duur. Er zijn diverse leveranciers van deze produkten, zoals: Mastervolt, Capi2, Philippi, Schneider en er zullen vast nog meer zijn. BEP Marine met zijn Czone heb ik grondig bekeken (via hun website) en ik zie inderdaad een aantal voordelen: 1) minder bedrading, dus eenvoudiger, 2) te koppelen met Simrad NSE kaartplotters, 3) binnenkort ook te koppelen aan Victron apparatuur (hoe en wat is nog onduidelijk, volgens de media wordt er deze maand meer bekend), 4) makkelijk uitbreidbaar. Eenvoud is voor mij het belangrijkste. Ik verwacht wel dat het duurder is.
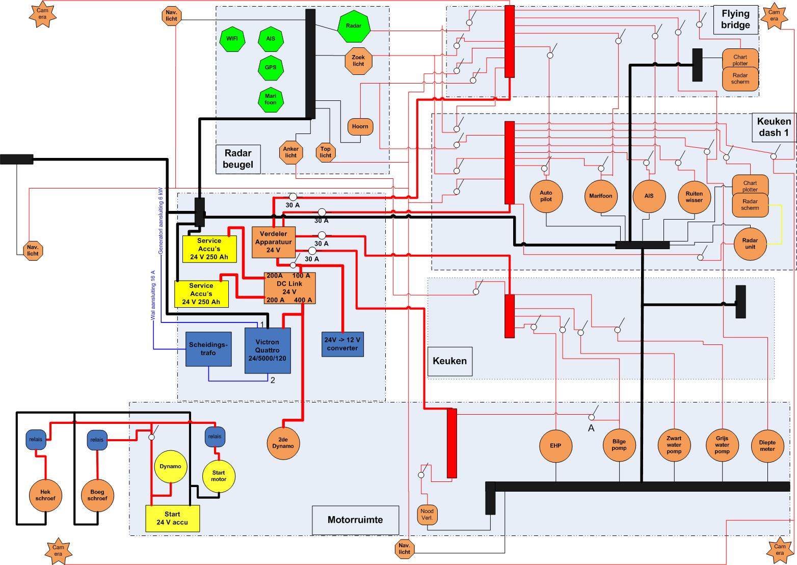
In het concept voor het 24 V electrisch schema heb ik geen centrale plek waar alles bij elkaar komt. Ik verdeel de apparatuur en schakelaars naar 4 locaties: motorruimte, stuurstand beneden, paneel met meters en paar schakelaars in de keuken en de stuurstand op de flying bridge. Inmiddels heb ik mijn electrisch schema aangepast: de bovenste is de traditionele vorm (veel draad), de benedenste is de ‘digitale’versie.
De hoeveelheid schakelaars kan in Czone worden beperkt doordat het systeem met zogenaamde ‘modes’ werkt. Als je op 1 van de bedieningsschermen de mode ‘varen’ kiest, dan wordt alle noodzakelijke apparatuur zoals autopiloot, kaartplotter, marifoon, dieptemeter, etc. tegelijkertijd aangezet. Kies je voor de mode ‘varen bij nacht’ dan wordt ook nog de navigatieverlichting aangezet. Bij de mode ‘in de haven’ of ‘voor anker’ wordt alle navigatie-apparatuur uitgezet en blijven overige 24 V gebruikers zoals bilgepomp, zwart waterpomp, etc. nog aan.
Je kunt het systeem zelf programmeren en bijvoorbeeld op basis van een bepaalde stand van een tankmeter een alarm af laten gaan. Ook alle waardes van de 220 V en 24 V voorzieningen zijn op de displays uit te lezen.

