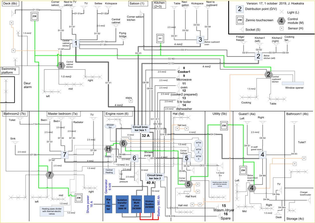
Bij het begin van de afbouw van ons motorjacht Xanthiona had ik me heilig voorgenomen om de gehele bedrading van de 24 V, de 230 V en voor de apparatuur en instrumenten heel precies en netjes volgens de regels van de kunst aan te leggen. Leidraad waren de ISO standaarden voor de DC stroom ISO 10133 (24 V gelijkspanning) en AC stroom ISO 13297 (230 V wisselspanning). Het 24 V systeem is gebaseerd op het principe van het Czone ‘distirbuted power system’‘, waarbij slechts 1 dikke kabel naar een verdeelpunt (output module) loopt waar dan de lokale stroomverbruikers met korte kabels worden aangesloten. De Czone modules zijn onderling verbonden met een NMEA2000 network en met behulp van een Czone display of Czone software kan men dan digitaal apparatuur aan en uit schakelen. Er zijn 5 output modules geinstalleerd op de volgende locaties: motorruimte (2 x), stuurpositie flying bridge, keukenpaneel en de (nood)stuurpositie in de keuken. Op deze manier van een ‘distributed power system’ voorkomt men dikke kabelbomen en door de eenvoud en overzichtelijkheid van het systeem is storing zoeken eenvoudig. Zie voor wat meer achtergrond o.a. de volgende artikelen op dit weblog: Update elektrische schema’s, Xanthiona nu digitaal bestuurd en Eerste proefvaart na upgrade. Zie ook hieronder de laatste update van het 24 V/NMEA2000/Czone schema.
Voor het 230 V systeem is voor het schakelen van het licht, het aansturen van de centrale verwarming per kamer en voor het openen en sluiten van het raam, een huisautomatiseringssysteem geinstalleerd, gebaseerd op het KNX principe. Met programmeerbare knoppen op een KNX display kan het licht vanaf meerdere plekken worden geschakeld. Een aantal lichten zoals in de hal en de badkamers gaat via bewegingssensoren automatisch aan en na ca. 30 seconden automatisch weer uit. In 1 van de badkamers wordt de warmte-terug-win unit (WTW) door de sensor in stand 3 geschakeld en blijft 20 minuten aan om condens en luchtjes te verwijderen. Zie o.a. de volgende artikelen op dit web-log CV eindelijk aangestuurd via KNX, Ventilatie gekoppeld aan huisautomatisering en Vorderingen aan het elektrisch als je meer wilt weten over het KNX huisautomatiseringssyteem. Zie hieronder de laatste update van het 230 V systeem.
Al deze electronica en apparatuur wordt verbonden met elkaar via een heel assortiment van kabels. Het spanningsverlies over de totale lengte van een kabel bepaald met name de dikte van de kabels, zoals ik al eens beschreef in dit artikel: Amps, AWG, ISO en koffiedik kijken. De eerder genoemde ISO standaarden beschrijven ook voor een deel de kleur, het type, waar ze moeten worden geinstalleerd en hoe ze moeten worden afgewerkt. Zo moeten voor de 230 V AC kabels de bekende blauw/bruin en gele-groene aders worden gebruikt en voor 24 V DC alleen rood en zwart. Verder moeten AC en DC minstens 10 cm van elkaar gescheiden zijn en moeten de uiteinden van de kabels voorzien zijn van adereindhulzen. Tot zover de theorie over het georganiseerd en overzichtelijk aanleggen van een elektrisch systeem.

Onder de keuken door: de 230 V kabels in grijze koker 10 cm gescheiden van 24 V kabels in witte kokers
De praktijk is echter weerbarstig en uiteindelijk eindig je toch op bepaalde plekken met een behoorlijke spaghetti aan kabels. Tussen de salon en de keuken is een paneel met redelijk wat apparatuur en logischerwijs dus ook redelijk wat kabels. Bovendien gaan er een aantal kabels van de stuurpositie op de flying bridge via dit paneel naar de motorruimte of naar de stuurpositie in de keuken.
Links op de foto zie je onder de keuken door, de 230 V kabels in de grijze koker die uit de motorruimte komen. Ze zijn keurig 10 cm gescheiden van de 24 V kabels in de witte kokers, die vanaf het keukenpaneel komen. Maar iets daarvoor komt er kabelspaghetti onder het keukenpaneel uit, zoals je op de volgende foto ziet. Het lijkt wat onoverzichtelijk, maar aan de ene kant zijn de kabels vrij goed herkenbaar: de KNX kabels zijn groen, alle stuurstroom kabels zijn grijs, de NMEA2000 backbone kabel zijn ook grijs, maar een geheel ander type, de 24 V kabels zijn rood en zwart en op dit punt lopen geen 230 V kabels. Ook is het einde van de kabels gelabeld of is er een label aangebracht op de elektrische module of apparatuur. Bovendien is alles gedocumenteerd zoals je in de schema’s hier boven ziet. Mocht er een storing zijn, dan zijn de kabels goed te volgen.
Op de volgende foto zie je alle apparatuur op het paneel in de keuken. Door de jaren heen is de hoeveelheid gegroeid en toen ik recentelijk de nieuwe Simrad RS90 black box marifoons wou installeren, moesten er eerst een aantal andere apparaten worden verschoven. Maar nu is het wel zo’n beetje compleet. Ik had de black box ook op een beschermde plek op de flying bridge kunnen installeren, maar vond de plek op het paneel in de keuken toch meer weerbestendig. Met als gevolg nog meer kabels die moeten worden doorgevoerd naar de flying bridge.
Een opsomming van de kabels die van/via het paneel naar de flying bridge lopen:
-24 V voor Czone output module
-2 x NMEA2000 netwerk kabels
-1 x GPS voor tbv AIS zender/ontvanger
-1 x VHF antennekabel tbv AIS zender/ontvanger
-1 x VHF antennekabel tbv marifoon
-1 x externe speakerkabel tbv marifoon
-1 x 7 aderig handsetkabel tbv marifoon
-2 x stuurstroomkabel voor boeg- en hekschroef
-4 x stuurstroomkabel voor op afstand aan en uit zetten van hoofdschakelaars
-1 x 8 aderige kabel voor omzetten analoge signalen van motorpaneel naar digitaal voor NMEA2000
-1 x 8 aderige kabel tbv gas/motorhendel
-1 x kabel voor aansturing TV satellietontvanger
-1 x kabel voor ontvangst van TV satelliet
-1 x reserve coax kabel
-1 x 230 V kabel
-1 x 20 aderige kabel voor het motorpaneel
-2 x hydraulische slangen voor het stuurwiel
Het resultaat van het doorvoeren van al deze kabels naar de flying bridge zie je op de laatste foto. Lijkt ook wel wat op spaghetti, met dien verstande dat dit volledig uit het zicht is en dat sommige kabels die niet ingekort kunnen worden of waarvoor wat extra lengte is aangehouden, hier onder het instrumentenpaneel is opgebost. Als ik heel veel tijd heb ga ik dit nog wel wat verder fatsoeneren.





