Archief voor Categorie Motorjacht
Route tweede vakantiereis motorjacht Xanthiona
Geplaatst door Jurjen Hoekstra in Motorjacht, Reizen op 16 september 2018
De tweede vakantiereis met ons motorjacht Xanthiona ging grotendeels via dezelfde route als de eerste vakantiereis vorig jaar, naar Rotterdam Marina. In het vorig bericht, Slechte route-informatie, beschreef ik het gedoe met de geblokkeerde sluis in zijkanaal-C vlak voor Haarlem en de onbediende brug via de alternatieve route door Amsterdam.
Het lukte de dag erna om de reis dwars door Amsterdam te vervolgen naar Leiden. Bij Aalsmeer was er een klein probleem met de afstandsbediening van de boeg- en hekschroef. Door een volledig onverklaarbare oorzaak stoorde de afstandsbediening (van hetzelfde merk) van het jacht, waar we tegen aan lagen gemeerd in afwachting van een open brug, op onze boeg- en hekschroef. Bij het wegvaren resulteerde dit in een onverwachtse beweging naar rechts en kwam de Xanthiona in aanvaring met het andere jacht. Iedereen uiteraard geschrokken en nadat de eerste paniek over was, was de conclusie dat het aan de electronica lag. Volgens de fabrikant is dit onmogelijk, maar het gebeurde wel. De schade aan het (belgische) jacht viel gelukkig mee, een paar krasjes in de verf, de Xanthiona had geen zichtbare schade.
De totale gevaren afstand was 203 km. De gevaren snelheid was grotendeels 12 km/uur en een paar stukken 9 km/uur. De verstookte 170 liter diesel resulteert in een verbruik van 0.84 liter per km.
Motorjacht Xanthiona aangekomen in Nijkerk
Geplaatst door Jurjen Hoekstra in Motorjacht, Nieuws, Reizen op 6 december 2015
Twee dagen deden we over de 285 km van Düsseldorf naar Nijkerk met ons motorjacht Xanthiona. Met de stroom mee op 1500 toeren haalden we gemiddeld 20 km per uur. ’s Avonds om 17.00 uur arriveerden we de eerste dag na 175 km in het donker in Tiel. De jachthaven was gelukkig enigszins bekend, omdat ik deze zomer iemand had geholpen met zijn schip naar Nederland varen. Ook toen een overnachting in Tiel. Onderweg was het redelijk druk op de Rijn en de Waal, maar dat verliep probleemloos. Er waren ook geen technische mankementen met de Xanthiona.
Het tweede stuk van 110 km van Tiel naar Nijkerk verliep iets anders. We waren de haven van Tiel nog maar net uit toen een schip van de Rijkswaterstaat ons tegen hield en verzocht vlak voor de sluis bij Tiel naar de wal te komen. Klaarblijkelijk hadden we de marifoon niet op het juiste kanaal en kon sector Tiel ons niet oproepen. Mede omdat er net een schip uit de sluis kwam en er verder op de Waal een duwstel aankwam, maakte men zich zorgen of we dat allemaal wel zagen. Uiteraard had ik de schepen al lang gezien via AIS, maar dat hadden ze graag bevestigd gezien. Na het tonen van het Rijnpatent, registratiebewijs marifoon en bedieningscertificaat marifoon mochten we verder.
Na het verlaten van de sluis bij Tiel draaiden we ca. 1700 toeren, maar zonder stroom bleef de snelheid ongeveer 15 km/uur. De dieptemeter deed het hier spontaan niet meer. Na het passeren van de 2de sluis kregen we door dat de dieptemeter het niet meer deed doordat de schroef net iets te veel cavitatie veroorzaakte bij de dieptemeter die aan de achterkant is gemonteerd. Geen probleem, het Amsterdam-Rijnkanaal leek ons diep genoeg.
Ondertussen waaide het flink en na het passeren van de Oranjesluizen bij Amsterdam werden we geconfronteerd met een windkracht 5-6 bij de oversteek van de zuidkant van het Markermeer naar de Hollandse brug bij de Randmeren. Met de wind direct op de zijkant, rolden we redelijk heen en weer, maar het ging allemaal goed. De oversteek deden we met 2000 toeren met een snelheid van ca. 17 km/uur. Door de lage snelheid op het Amsterdam-Rijnkanaal en het verlies aan tijd met het schutten, kwamen we uiteindelijk om 17.00 uur (ook weer in het donker) in Nijkerk aan. Bij de jachthaven en de brug was genoeg licht om zonder problemen aan te leggen.
Het AXIWI communicatiesysteem heeft wederom zijn dienst bewezen. In de sluizen kan ik vanaf de flying bridge perfect communiceren met de persoon in het gangboord die de lijnen bediend. Ook als deze persoon ergens op het achterdek of het zwemplateau is (buiten mijn gezichtsveld) kun je heel goed elkaar op de hoogte houden wat er gebeurd of om aanwijzingen te geven. Ik kan al niet meer zonder.
Met de Xanthiona op 20 minuten rijden van huis kan de afbouw nu hopelijk sneller verlopen.
Motorjacht Xanthiona eindelijk op weg naar Nederland
Geplaatst door Jurjen Hoekstra in Afbouw, Besturing, Motorjacht, Nieuws, Reizen op 29 november 2015
Na 7.5 jaar werken bij een internationale organisatie in Bonn en na bijna 4 jaar afbouw van ons motorjacht Xanthiona in Oberwinter, zouden we eind augustus de Xanthiona terug varen naar Nederland. Echter de Xanthiona was 3.5 maand ‘gevangen’ in de haven van Oberwinter vanwege de lage waterstand in de Rijn. Met een diepgang van 1.4 meter moet er even zoveel water staan boven de zandbank voor de haveningang. Twee weken geleden was het op z’n laagst ooit: 37 cm. Gelukkig begon begin deze week het water eindelijk te stijgen, het werd zelfs even 2.80 mtr. Voordat ik me had vrij gemaakt van het werk, zakte het water al weer. Op zaterdag 28 november stond er nog 1.60 mtr boven de zandbank. Deze is op gelijke hoogte als de waterhoogtemeter (pegel) van Oberwinter. Met 20 cm net genoeg speling om over de zandbank te komen.
Met een goede kennis uit de jachthaven hebben we de Xanthiona naar Düsseldorf gevaren. Een bekende plek van 4 jaar geleden toen ik op weg naar Oberwinter met pech een tijdje in Düsseldorf heb gelegen (zie Pech voor Xanthiona op weg naar Duitsland). De eerste 110 km van de ca. 400 km reis zit er op. Volgend weekend gaat een goede vriend mee voor het laatste stuk tot Nijkerk waar de Xanthiona deze winter ligt.
4 jaar geleden was de Xanthiona nog spartaans en er was geen navigatie-apparatuur. Nu is de Xanthiona grotendeels ingericht en alle electronica en navigatie-apparatuur werkt. Alle electronica en apparatuur was stabiel en functioneerde zoals verwacht. Het AXIWI communictiesysteem beviel goed bij het wegvaren en aanleggen (zie AXIWI behulpzaam bij afvaren en aanleggen), erg handig deze handzame apparaatjes. Ik heb het ook gebruikt tijdens de regelmatige controle van de motorgegevens op de flying bridge en de motorruimte, dan bleef ik in contact met de stuurman en kon zo eventuele bijzonderheden doorgeven.
Waren er dan geen problemen? Ja en nee. De electronsiche kaart bewoog niet automatisch mee met de positie van de Xanthiona. Achteraf bleek dit een bedieningsfout van de software. De hydraulische besturing verloor dit keer geen olie, 4 jaar geleden was ik bijna stuurloos. Het enige echte probleem was een foutmelding van het koelwateralarm op het NMEA2000 systeem. Er kwam genoeg koelwater uit de uitlaat, maar de dag erop bleek de Amerikaanse sensor in het koelwatercircuit defect.
AIS is op de drukke Rijn een aangenaam hulpmiddel. Je kunt kilometers verderop zien wat er aan komt en ook sneller varende schepen achter je zie ruim op tijd aankomen. Een echte aanrader voor wie veel op de rivieren vaart.
Het varen met de Simrad FU80 joystick was erg prettig. Deze NMEA2000 joystick verving de electrische joystick van 4 jaar geleden, die was erg gevoelig en moest je continu corrigeren. De Simrad reageeert direct en je kunt er zeer precies mee sturen. Een goede investering.
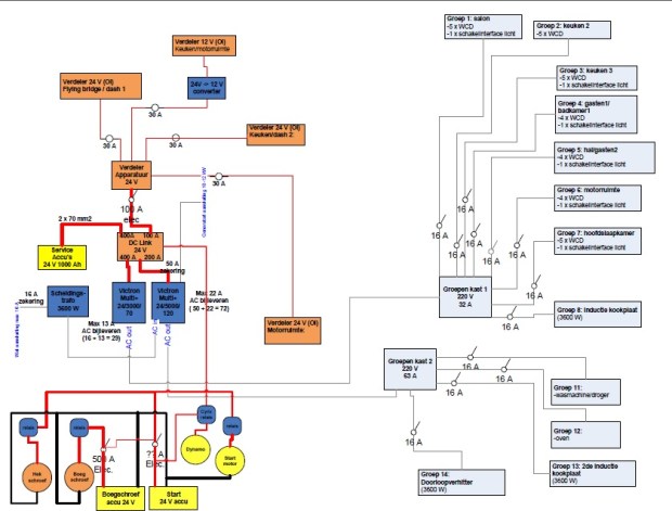
Verdere aanpassing electrisch concept motorjacht Xanthiona
Geplaatst door Jurjen Hoekstra in Electrisch, Motorjacht op 16 maart 2014
Al weer een jaar geleden schreef ik over de aanpassing van het bedachte concept voor de elektriciteit op ons motorjacht Xanthiona Link naar vereenvoudiging-en-aanpassing-electrisch-schema. Het enige nadeel wat nog in het concept zat was dat er niet voldoende redundantie in zat. Het laden van de service accu’s en het omvormen van 24 V naar 230 V was gebaseerd op slechts 1 Victron Quattro van 8000 W. Als die dus stuk gaat, zit je zonder 230 V en worden de service accu’s niet meer geladen.
Op zoek naar een tijdelijke oplossing om in ieder geval deze zomer wat stroom te hebben als we voor de 1e keer met de Xanthiona op vakantie willen, liep ik tegen een geschikt Victron Mulitiplus van 3000 W aan. Samen met mijn motorbootvarende collega (en technisch expert) ontstond het idee om deze niet alleen tijdelijk te gebruiken, maar als definitieve oplossing om zo alleen het ‘huis’ gedeelte van de apparatuur (de lichte gebruikers) van 230 V te voorzien tijdens het varen. Ik kan dan koffiezetten, toilet doorspoelen, douchen, de led verlichting kan aan en ik kan een eitje bakken op het 2-pits inductie plaatje.
Door later er een zwaardere Victron Multiplus van 5000 W bij te zetten voor de zware gebruikers (oven, vaatwasser, combi was-droger, 3-in-1 boiler, 2de 2 pits inductiekookplaat) ontstaat er redundantie. Deze zware gebruikers, aangesloten op een aparte groepenkast, zijn alleen te gebruiken als er walstroom is of de generator is opgestart. Is er 1 van de 2 Victrons stuk, dan kan ik altijd een deel van de apparatuur omstekkeren als het moet.
Trappen motorjacht Xanthiona ook opgeknapt
Geplaatst door Jurjen Hoekstra in Aan dek, Afbouw, Exterieur, Motorjacht op 5 oktober 2012
Gisteren schreef ik over de slechte staat van het gangboord en het dek. De trappen naar het zwemplateau zagen er ook slecht uit, die hadden dan wel niet zo’n zachte toplaag, maar mooi was het zeker niet. Vandaag de stuurboord trap nog even gedaan, de bakboord en de trap naar de flying bridge hadden 2 week geleden al een opfrisbeurt gehad.
Motorjacht Xanthiona een klein beetje beroemd
Geplaatst door Jurjen Hoekstra in Motorjacht, Nieuws op 23 april 2012

Kijk op http://www.motorboot.com voor het artikel
Ons motorjacht Xanthiona is vanaf vandaag een klein beetje beroemd: ”Zo groot als een pantserwagen” kopt een artikel in het meinummer van Motorboot magazine. Na een leuk interview enkele weken geleden, kun je nu in de Motorboot lezen wat ons heeft gedreven om dit jacht te laten bouwen en wat onze plannen zijn. Kijk op www.motorboot.com in het e-magazine (je moet een abonnement hebben) of koop de Motorboot in de winkel.
motorjacht Xanthiona gespot tijdens cursus Rijnsportpatent
Geplaatst door Jurjen Hoekstra in Motorjacht, Nieuws, Regelgeving op 1 februari 2012
Ons motorjacht Xanthiona is gespot in Oberwinter. Door de eigenaar zelf tijdens het 1e deel van een 12 daagse cursus voor het behalen van het Rijnsportpatent. Het Rijnsportpatent is noodzakelijk als je met een jacht langer dan 15 meter op de Rijn wilt varen. Dat was ook de reden dat ik voor het brengen van de Xanthiona naar Oberwinter een schipper met de juiste papieren in moest huren.
De cursus wordt verzorgd door de Stichting voor Actieve Watersporters via 4 3-daagse weekenden. Er wordt gevaren met het luxe passagiersschip MPS Allegro en afwisselend met 2 groepen wordt er theorie gegeven over het varen op de Rijn en de cursisten mogen om beurten het 105 meter lange schip besturen. Er moet voor het verkrijgen van het Sportpatent o.a. worden aangetoond dat de cursist 4 maal het traject onder begeleiding van een erkend opleidingsorgaan heeft gevaren.
Uitgebreide kennis over alle plaatsen, alle bruggen, alle zijrivieren en alle bijzonderheden van de vaarweg zijn onderdeel van het examen. Ook het Rijnvaart Politie Reglement (RPR) komt ruim aan bod, net als kennis over waterstanden, verval, stroomsnelheden, kribben, neren, wervels, gronden, oorden, wet van Bernouilli (?), het Coriolisverschijnsel (?), etc. Het lijkt een gedegen opleiding na de ervaring van het eerste lange weekend aan boord van het passagiersschip MPS Allegro.
Het sportpatent kan voor 3 gedeelten worden behaald. Het 1e deel loopt van de Nederlandse grens tot Koblenz, het 2de deel van Koblenz tot Mainz en de 3de loopt van Mainz tot Ifferzheim. Meer informatie is te vinden op www.vaarschoolsaw.nl. Mijn intentie is om voorlopig alleen het 1e deel te halen. De komende 3 zomers kan ik dan met de Xanthiona van Oberwinter naar Koblenz varen en daar de Moezel op om lekker vakantie te houden. En ik kan dan over 2.5 jaar de Xanthiona zelfstandig terugvaren naar Nederland.
Motorjacht Xanthiona nog niet op reis naar Duitsland
Geplaatst door Jurjen Hoekstra in Apparatuur & electronica, Besturing, Motorjacht, Nieuws, Reizen, Verwarming op 1 november 2011
Soms zit het tegen, ook al heb je bijvoorbeeld een reis minitieus voorbereid. Ons motorjacht Xanthiona zou deze week op 1 november naar Duitsland worden gevaren samen met een ingehuurde schipper en een vriend. Helaas zijn er nog een paar technische zaken niet helemaal af. Meijer Boot Service werkte vandaag nog stug door aan de besturing met joystick en de roerstandaanwijzer, die doen het nu dus ook. Nu nog navigatieverlichting, een hoorn, een ruitenwisser en de brandstofmeter. Dan is de meest noodzakelijke techniek klaar.
Zelf ben ik druk bezig met het aanleggen van de centrale verwarming, maar ook dat valt tegen. Over het weekend heen zou ik die klus wel even klaren, maar vandaag ben ik nog bezig. Morgen zal dat dan wel verder gereed komen. Dan het water en het toilet nog aansluiten en dan zijn we min of meer klaar om er fatsoenlijk mee te varen en er op te verblijven.
Een groter probleem is echter dat ik de haven van Oberwinter niet in kom, het water in de Rijn staat nog steeds erg laag, momenteel kom ik ca. 50 cm te kort onder de kiel om over de drempel voor de ingang van de jachthaven te komen. Vorig weekend hebben we per toeval de diepgang van de Xanthiona gemeten en die bleek niet 1.20 meter te zijn, maar ca. 1.50 meter. Dus dat maakt het probleem om over de drempel te komen nog groter.
Voorlopig heb ik de reis naar Duitsland even 2 weken uitgesteld, het moet eerst maar eens flink gaan regenen in Duitsland.
Motorjacht Xanthiona (eindelijk) te water
Geplaatst door Jurjen Hoekstra in Bouw opbouw, Bouw romp, Motorjacht, Nieuws op 28 oktober 2011
Na 13 maanden is ons motorjacht Xanthiona, een Almarine 1700, (eindelijk) te water. Op 1 oktober 2010 begon de bouw van de Xanthiona bij MarHen Yachting. Op dit weblog kun je lezen hoe de bouw de afgelopen maanden is verlopen. Uiteindelijk 6 maanden later dan gepland is de Xanthiona afgelopen woensdag 26 oktober te water gegaan. Een groot deel van de vertraging werd veroorzaakt door de verlate levering van de Doosan L086TIH motor, de overige vertraging is de min of meer normale uitloop die ontstaat door het tegenzitten van werk, materiaal, etc.
De bouwlocatie op het industrieterrein in Hardewijk, was ca. 1 km van het water en de Xanthiona ging daarom dinsdagavond al over de weg om druk verkeer te mijden. In de industriehaven werd de Xanthiona op woensdagochtend door een mega-kraan in het water getild. Zie bijgaande sfeerplaatjes (klik op de foto voor een vergroting).
Voorlopige planning overvaren motorjacht Xanthiona naar Oberwinter
Geplaatst door Jurjen Hoekstra in Bouw opbouw, Bouw romp, Motorjacht, Nieuws op 12 oktober 2011
Er wordt druk gewerkt door MarHen Yachting en Meijer Boot Service om ons motorjacht Xanthiona eind van de maand klaar te hebben.
Kort geleden zijn de laatste luiken geplaatst. Deze week worden o.a. de tanks geplaatst en aangesloten, de electronische motorbediening aangesloten, de stuurinrichting verder afgemaakt en nog diverse andere kleinigheden gedaan die moeten worden afgewerkt.
De voorlopige planning is dat de Xanthiona op 26 oktober in het water gaat. Er volgen dan uitgebreide proefvaarten door MarHen en op 31 oktober komt Vink Diesel de Doosan L086TIH officieel in bedrijf stellen. In de dagen erna gaan we de Xanthiona tot aan de grens bij Tolkamer brengen. Op vrijdag zal daar dan de schipper met het Rijnpatent aan boord komen (het Rijnpatent is verplicht voor jachten groter dan 15 meter op de Rijn) en dan is het nog 2 dagen varen naar Oberwinter, met op de 1e dg een tussenstop in Düsseldorf.
De Xanthiona blijft ongeveer 2 1/2 jaar in Oberwinter (zo lang werk ik nog in Duitsland). In de periode in Oberwinter hoop ik dan het interieur helemaal af te kunnen maken. Door de week blijf ik dan aan boord. Er moet natuurlijk nog veel gebeuren want het is niet meer dan een technisch vaarklaar casco. Ik kan 4 avonden per week er aan werken, misschien af en toe ook wat in de vakantieperiodes. Samen met een collega hebben we ons opgegeven voor een cursus voor het Rijnpatent, maar op dit moment missen ze nog 2 deelnemers en is het voorlopig tot januari uitgesteld. Mochten we de cursus alsnog kunnen doen en het examen halen, dan kan ik mooi de komende jaren wat op de Rijn en ook op de Moezel varen.






































